前 言
为了贯彻落实《中华人民共和国档案法》、《中华人民共和国档案法实施办法》,促进国家档案馆建设,提高国家档案馆建设决策科学化与管理规范化水平,依据建设部《关于印发(二ΟΟ四年工程项目建设标准、投资估算指标、建设项目评价办法与参数编制项目计划)的通知》(建标函[2005]19 号)要求,编制《档案馆建设标准》。
《档案馆建设标准》编制的指导思想是,严格遵循国家法律法规和相关方针政策,以坚持更好地为公众服务,充分发挥档案事业在建设和谐社会中的作用为宗旨,从我国国情出发,因地制宜,合理确定建设规模和水平,做到功能齐全,设施完善,经济实用,满足档案收集、整理、保管、利用等工作需要。
《档案馆建设标准》明确了国家档案馆建设规模和项目构成,确定了房屋建筑面积指标,提出了选址与规划布局、建筑设计的基本要求。
本建设标准对政府投资的档案馆建设必须严格执行,对企业投资的可参考适用。
本建设标准系初次编制,在施行过程中请各单位注意总结经验,积累资料。如发现需要修改和补充之处,请将需要修改和补充的意见及时反馈。有关意见及资料请寄中华人民共和国国家档案局(地址:北京市西城区丰盛胡同 2l 号,邮编100032),以便今后修改时考虑。
本标准编制组成员:
主 编: 郭嗣平、张永慧、赵中新、王雁宾
编 委: 李伯富、刘芸、杨战捷、姜莉、冯朝晖、宋扬、丁德胜、杜山
主要起草人:(按姓氏笔画排序)
丁德胜、刘芸、杨战捷、姜莉、郭嗣平
第一章 总 则
第一条 为加强和规范我国的档案馆建设,提高工程项目投资决策和建设管理水平,维护档案的完整与安全,便于社会各方面利用,制定本标准。
第二条 本标准是档案馆建设的全国统一标准,是编制、评估和审批档案馆建设项目建议书、可行性研究报告和初步设计的依据,也是有关部门对档案馆工程项目建设全过程监管检查的依据。
第三条 本标准适用于省(自治区、直辖市、计划单列市、副省级市)、市(地、州、盟)、县(市、区、旗)三级综合档案馆的新建、扩建、改建工程项目。
城市建设档案馆等专门档案馆的新建、扩建、改建工程项目,依照本标准执行。
第四条 档案馆建设必须遵守《中华人民共和国档案法》、《中华人民共和国档案法实施办法》等有关法律法规,从我国国情出发,因地制宜,合理确定建设规模和水平,做到功能齐全,设施完善,经济实用,满足档案收集、整理、保管、利用等工作需要。
第五条 档案馆建设应满足档案馆作为安全保管党和国家重要档案的基地、爱国主义教育基地、档案信息服务中心、已公开现行文件利用中心和政府信息查阅的法定场所的设置要求,同时要满足社会公共文化服务的要求。
第六条 政府投资的档案馆建设应纳入当地的国民经济和社会发展规划,城市总体规划,和政府投资计划。
第七条 档案馆建设应统筹规划,立足长远。资金投入确有困难的,可一次规划,分期建设。
第八条 档案馆建设除遵守本标准外,还应符合国家现行的其他有关标准、规范和定额、指标的规定。
第二章 建设规模和项目构成
第九条 档案馆建设规模按行政区划分级,以应保存的馆藏档案数量为基本依据分类,参照辖区人口数量并综合辖区经济、地理等因素合理确定。
馆藏档案数量是指现存和今后30年应进馆档案、资料的数量之和。
第十条 档案馆建设按照省、市、县三级作如下分类:

第十一条 档案馆建设项目由房屋建筑、场地和档案馆专用设施组成。
第十二条 档案馆房屋建筑由档案库房、对外服务用房、档案业务和技术用房、办公室用房等主要功能用房和附属用房及建筑设备组成。
第十三条 档案库房由纸质档案库、音像档案库、光盘库、缩微拷贝片库、母片库、珍藏库、实物档案库、图书资料库、其他特殊载体档案库和过渡间组成。
省级档案馆需设置异地备份库时,应根据备份档案数量参照本标准执行,其建筑面积不计入本标准。
第十四条 对外服务用房由服务大厅(含门厅、寄存处、饮水处等)、接待室、查阅登记室、目录室、开放档案阅览室、未开放档案阅览室、缩微档案阅览室、音像档案阅览室、现行文件阅览室、现行文件保管室、展览厅、报告厅、对外利用复印室和利用者休息室、餐厅、公共卫生间组成。
第十五条 档案业务和技术用房由中心控制室、接收档案用房、整理编目用房、保护技术用房、翻拍洗印用房、缩微技术用房、信息化技术用房组成。
接收档案用房由接收室、除尘室、消毒室组成。
整理编目用房由整理室、编目室、修史编志室、展览加工制作室、出版发行室组成。
保护技术用房由去酸室、理化试验室、档案有害生物防治室、档案保护静电复印室、裱糊修复室、装订室、仿真复制室、音像档案处理室组成。
翻拍洗印用房由翻拍室、冲洗室、印像放大室、水洗烘干室、翻版胶印室组成。
缩微技术用房由资料编排室、缩微摄影室(分大型机室和小型机室)、冲洗处理室、配药和化验室、质量检测室、校对编目室、拷贝复印室、放大还原室和备品库组成。
信息化技术用房由服务器机房、计算机房、电子档案接收室、电子文件采集室、数字化用房组成。数字化用房由档案前期处理室、纸质档案扫描室、其他载体档案数字化室、数字化质量检测室、档案中转室组成。
第十六条 档案馆办公室用房和与档案馆并建的档案行政管理部门办公室用房的组成参照《党政机关办公用房建设标准》。
第十七条 附属用房及建筑设备包括警卫室、车库、卫生间、浴室、医务室和变配电室、水泵房、水箱间、锅炉房、电梯机房、制冷机房、通信机房、消防用房、安防用房等各类设备用房及相应的建筑设备。
第十八条 档案馆场地主要由人员集散场地、道路、停车场和绿化用地等组成。
第十九条 档案馆专用设施主要包括档案专用运输设备、档案装具、档案保护技术设备、缩微设备、专用信息化设备。
第三章 房屋建筑面积指标
第二十条 档案馆房屋建筑面积指标按照不同级别和类型予以确定。
第二十一条 省级档案馆建筑面积指标应符合表一的规定。

馆藏档案数量超过110万卷的省级档案馆,档案库房面积指标可在省级一类的基础上,按照本标准的计算方法等比增加。寒冷和严寒地区的总面积指标可以在原来基础上增加4﹪~6﹪。
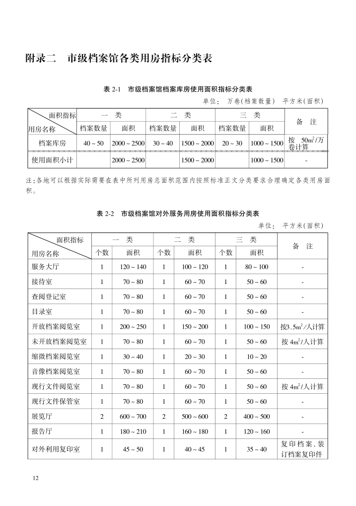
第二十二条 市级档案馆建筑面积指标应符合表二的规定。

馆藏档案数量超过50万卷的市级档案馆,档案库房面积指标可在市级一类的基础上,按照本标准的计算方法等比增加。寒冷和严寒地区的总面积指标可以在原来基础上增加4﹪~6﹪。
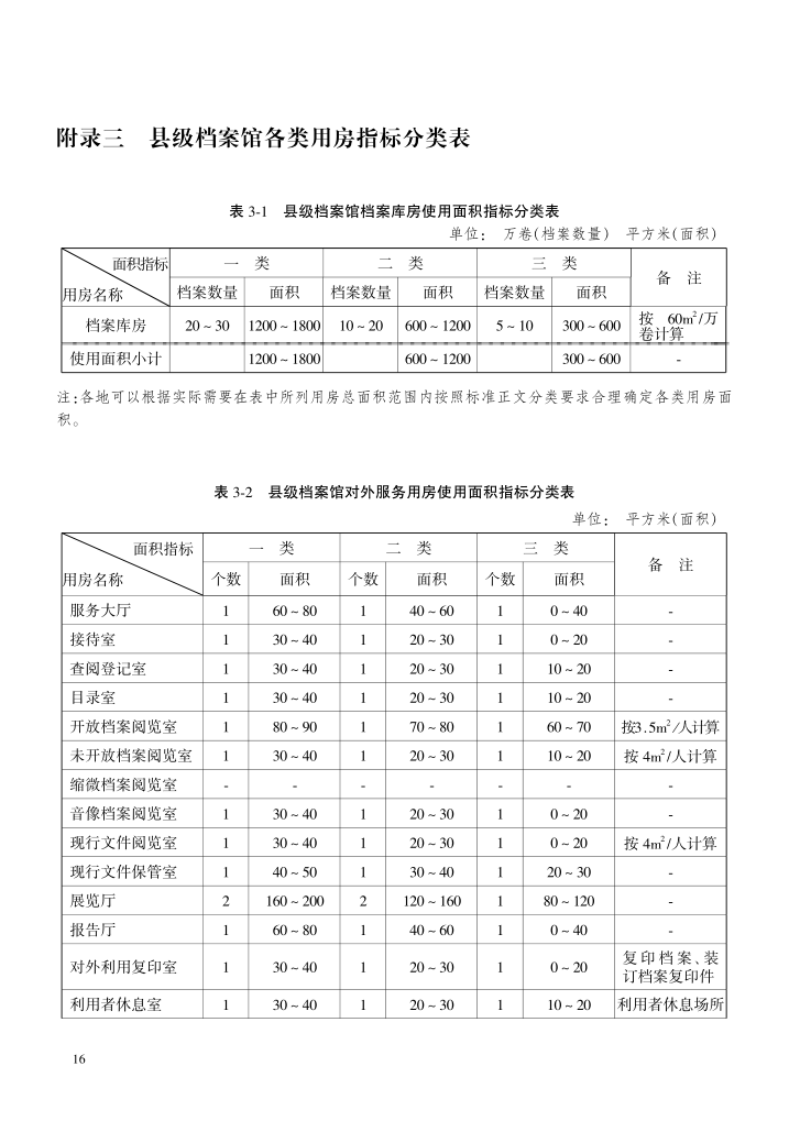
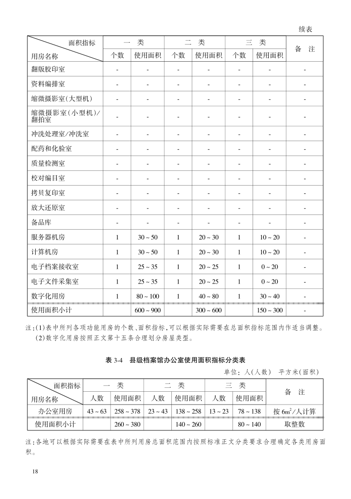
第二十三条 县级档案馆建筑面积指标应符合表三的规定。

馆藏档案数量超过25万卷的县级档案馆,档案库房面积指标可在县级一类的基础上,按照本标准的计算方法等比增加。寒冷和严寒地区的总面积指标可以在原来基础上增加4﹪~6﹪。
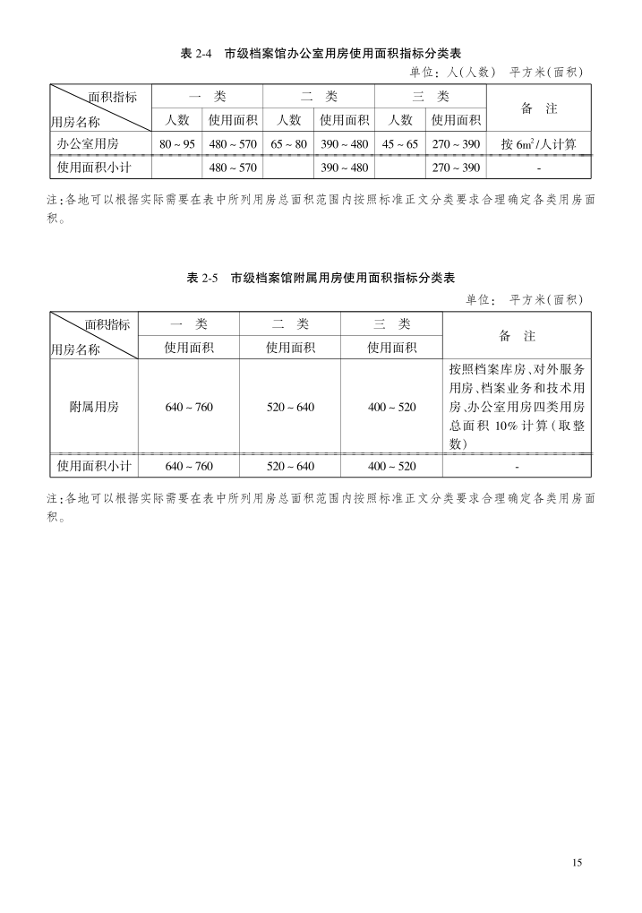
第二十四条 档案馆办公室用房面积应按照《党政机关办公用房建设标准》执行。
第二十五条 附属用房按档案库房、对外服务用房、档案业务和技术用房、办公室用房总面积的10﹪计算。
第四章 选址与规划布局
第二十六条 档案馆的选址应符合下列要求:
1.应选择工程地质条件和水文地质条件较好地区;
2.应远离易燃、易爆场所,不应设在有污染腐蚀性气体源的下风向;
3.应选择交通便利,城市公用设施比较完备的地区;
4.应选择地势较高、排水通畅、空气流通和环境安静的地段。
第二十七条 档案馆建设用地应根据建筑要求因地制宜,科学合理确定用地面积及技术指标。
档案馆建筑用地覆盖率宜为30﹪~40﹪,绿地率宜为30﹪,或遵照当地规划部门的规定执行。
停车场用地面积根据工作人员和外来利用档案人员数量合理确定并符合当地规划部门的规定。
第二十八条 档案馆总平面应满足以下规划要点:
1.档案馆宜独立建设。县级档案馆可与其他功能相近的文化项目联合建设,但应有独立的管理区域;
2.档案馆建筑应根据功能要求和工作流程合理布局,做到基本功能完备、流程便捷;
3.档案馆建筑用地应根据建筑要求,合理确定总平面规划的各项经济技术指标,应节约使用土地,并优先利用社会公共资源;
4.档案馆建筑按照功能分为库房区、对外服务区、业务技术区、办公区和附属用房区。库房区应相对独立。对外服务区宜设置专用出入口;
5.档案馆对外服务区、业务技术区、办公区应具有良好的自然采光和通风条件;
6.锅炉房、变配电室等可能危及档案安全的用房,在布局中应与库房区保持安全距离;
7.人员集散场地、道路、停车场和绿化用地等室外用地应统筹安排;
8.馆区内的道路应与城市道路或公路连接,符合消防和疏散要求并便于档案的运送、装卸;
9.档案馆室内外均应按《城市道路和建筑物无障碍设计规范》(JGJ 50 一2001)要求进行无障碍设计,标识指示系统清晰明确;
lO.档案馆对外服务的车库(场)建设应符合当地规划条件的要求,宜将车库(场)设置于地下。本标准未包括这部分用房的构成、建筑面积指标;
11.本标准未包括人防设施的项目构成、建筑面积,其标准和等级应符合当地人防部门的要求。
第五章 建筑设计
第二十九条 档案库房与其他各类用房之间应有分隔,各部门间的档案传送线路应安全顺畅,内外联系应避免交叉。
第三十条 四层及四层以上的对外服务用房、档案业务和技术用房应设电梯,二层及二层以上的档案库房应单独设置垂直运输设备。
第三十一条 档案馆围护结构应满足保温、隔热、温湿度控制、防潮、防水、防日光、防紫外线照射、防尘、防污染、防有害生物和防盗等防护要求。
第三十二条 档案库房设计应符合以下原则:
1.库区应根据档案类别、保管要求和经济性,设置不同类型的库房和确定柱网、层高与载荷,珍贵档案存储应设珍藏库。档案库房层高应满足排架高度、管道安装维修的要求;
2.库区内应设工作人员更衣室,其余附属用房不应设在库区内;
3.库区或库房入口处应设过渡间;
4.档案库设于地下时,必须采取防潮、防水措施。
第三十三条 档案馆重要电子档案保管和利用场所应满足安全屏蔽要求。
第三十四条 档案馆建筑应严格执行现行防火规范,档案库等重要用房应设置火灾自动报警设施,并采用相应的灭火系统。
第三十五条 各级档案馆要适应档案信息化建设的要求,根据办公自动化及安全、保密等要求综合布线、预留接口,通讯与计算机网络设施应满足工作需要。
第三十六条 档案馆建筑应符合国家公共建筑节能设计标准,并采用节能设备。
第三十七条 档案馆建筑应设置门禁、报警、监视监控等安防系统。
第三十八条 档案馆供电应满足设备和照明的需要,省级和市级档案馆应实行双路供电,如不能双路供电,可自备发电机组。
第三十九条 档案馆建筑外观设计应符合城市规划要求,与周围环境协调,做到实用、经济、美观。室内装修设计首先应满足各类用房使用功能的要求。












附录四
档案馆建设标准用词用语说明
一、为便于执行本标准条文时相区别,对于要求严格程度不同的用词,说明如下:
1.表示很严格,非这样做不可的用词:
正面词采用“必须”;反面词采用“严禁”。
2.表示严格,在正常情况下均应这样做的用词:
正面词采用“应”;反面词采用“不应”或“不得”。
3.表示允许稍有选择,在条件许可时首先这样的词:
正面词采用“宜”;反面词采用“不宜”。
表示有选择,在一定条件下可以这样做的词,采用“可”。
二、本标准中指定按有关标准执行时,写法为“应符合……要求”;非必须按所制定的标准和规范执行的写法为“可参照……执行”。
档案馆建设标准条文说明
第一章 总 则
第一条 本条阐明了本标准的编制目的。
中国是一个历史悠久的文明古国,档案事业的发展源远流长。档案是人类活动的真实记录,是人们认识和把握客观规律的重要依据。借助档案,我们能够更好地了解过去、把握现在、预见未来。档案工作是一项记录历史、传承文明、服务社会、造福人民的重要工作。档案事业是党和国家事业发展一个不可缺少的方面,是一项崇高的事业。
根据《全国档案馆设置原则和布局方案》,国家档案馆包括国家综合档案馆和国家专门档案馆。档案馆是保管党和国家重要档案的基地,是进行爱国主义教育的基地,是依法为公众提供档案信息服务的中心,同时又是公众了解政府信息、利用已公开现行文件的法定场所。档案馆建设作为档案事业的一项重要内容,是档案事业持续稳定发展的基础和保证。
建国以来,档案馆的建设受到党和国家的高度重视,国家先后通过一系列的法律法规和技术标准进行规范和调整,档案馆从无到有,不断发展并逐步形成网络。全国现建有各级各类档案馆近4000个,保存纸质档案近1.6亿卷、2000万件,还有大量录音、录像、影片、照片等档案,平均每年接待利用档案资料者1300万人次,利用档案资料3600万卷(件、册),为改革开放和现代化建设服务,为社会大众服务,取得了显著的社会和经济效益。
近年来,档案事业迅猛发展,但档案馆的建设现状却不容乐观:全国现有县以上行政建制3401个(不含港澳台),其中已建有各级国家综合档案馆3142个,城市建设档案馆700多个,尚有近300个没有档案馆。在现有的档案馆中,大多数档案馆建于20世纪六七十年代,建设标准低,设施简陋,库房空间狭小,许多档案馆已经多年未依法接收档案进馆。有些已经成为危房,亟需新建、改扩建。
这一方面严重影响了档案馆依法履行安全保管档案、有效利用档案的职责,另一方面在档案馆建设项目的立项和审批中,由于没有可以作为依据的建设标准,一些新建档案馆在建设规模、建设用地等方面存在着决策的盲目性,项目的合理性不能充分体现。因此,编制科学、合理的档案馆建设标准,实现建设资金的合理利用,促进不同地区档案馆建设的共同发展,是十分必要的。
第二条 本条规定了本建设标准的作用及其权威性。
本建设标准是依据档案工作的有关规定,在充分调查研究的基础上,听取各方意见,组织专家论证后制定的,兼顾了地域、经济发展水平的差异和不同级别档案馆的需要。因此,本标准是全国统一标准,不仅为档案馆的建设提供了所应遵循的原则和标准,也为国家建设和计划主管部门审批档案馆项目、合理确定建设水平、控制投资规模、进行工程设计和监督、检查档案馆建设的全过程提供了依据。
第三条 本条明确了本标准的适用范围。
根据《中华人民共和国档案法》第八条规定,中央和县级以上地方各级各类档案馆,是集中管理档案的文化事业机构,负责接收、收集、整理、保管和提供利用各分管范围的档案。国家档案馆是按照我国行政区划分级设置的,分为中央、省(含计划单列市、副省级市)、市、县四级,考虑到中央档案馆、中国第一历史档案馆、中国第二历史档案馆等中央级档案馆的建设规模由国家另行审批,本标准适用于省(自治区、直辖市、计划单列市、副省级市)、市(地、州、盟)、县(市、区、旗)三级综合档案馆的新建、扩建、改建工程项目。城市建设档案馆等专门档案馆的新建、扩建、改建工程项目,依照本标准执行。
第四条 本条明确了档案馆建设的总体要求以及应把握的建设方针和必须遵循的有关法律、法规。
档案馆的建设工作要增强科学性、避免盲目性、随意性,必须遵循国家相关法律、法规和规定的要求,充分考虑经济发展的因素和档案馆现实需要,从我国基本国情出发,正确处理好需要与可能,现状与发展的关系,坚持科学、合理、适用、节约的建设原则,在保证基本设施建设的科学性和先进性的基础上,应充分考虑工艺的合理性和适用性,考虑档案馆的特点和功能拓展的需要,同时应充分考虑节约投资和降低运行能耗的因素,满足档案馆事业长远发展的需求。
第五条 本条规定了档案馆建设的总体功能要求。
档案馆建设必须着眼于档案业务流程的需要,满足接收、收集、整理、保管和提供利用档案的功能要求,满足国家档案馆作为安全保管党和国家重要档案的基地、爱国主义教育基地、档案信息服务中心、已公开现行文件利用中心和政府信息查阅的法定场所的功能设置的要求。据统计,全国已有一半左右的档案馆被党委和政府授予爱国主义教育基地称号,国家档案局颁布了行业标准《国家档案馆爱国主义教育基地工作规范》。绝大多数档案馆已开展了已公开现行文件利用工作,社会反响极大,党和国家领导人对已公开现行文件利用工作做过多次重要批示。在国务院颁布的《中华人民共和国政府信息公开条例》中,明确将档案馆作为政府信息公开的法定场所。而且,档案在编史修志、科学研究方面发挥着不可替代的作用,因此,档案馆建设应充分体现作为文化事业机构的特点,体现作为本地区文化设施和公共文化场所的特点,满足社会公共文化服务的要求,体现社会性、文化性、开放性。
第六条 本条规定了档案馆建设规划、投资、征地等要求。
档案馆建设在规划、投资、征地等方面应充分体现作为文化事业机构的特点,政府投资的档案馆建设应纳人当地的国民经济和社会发展规划,纳入城市总体规划和政府投资计划。
第七条 本条规定了档案馆建设原则。
从全国现有的档案馆建设看,整体水平较其他馆舍建筑存在明显差距,且建设年代较长,历史欠账很多。近些年来,随着经济发展水平的提高和社会档案意识的增强,档案馆建设已有很大改观,但东部、中部、西部发展极度不均衡。从档案事业的长远发展考虑,档案馆建设应实行统筹规划,立足长远。经济较发达的地区可以一次规划和投入,建设满足长远发展需要的档案馆。资金投入确有困难的,可以一次规划,分期建设,并留有改造和扩建的余地,以免建成的档案馆不能满足档案管理实际需求,短时间内再行新建或改、扩建,给国家造成不必要的浪费。
第八条 本条明确了执行本建设标准与执行国家现行的其他有关工程建设强制性标准、规范、定额、指标的关系。
国家已颁布了若干有关建筑工程的标准,而且随着国家标准化、规范化工作的进展,必将有更多的标准、规范、定额、指标陆续发布。凡与档案馆建设工作有关的,除执行本标准外,对国家颁布的有关工程建设强制性条文所规定的内容同样必须认真贯彻执行。
第二章 建设规模和项目构成
第九条 本条规定了档案馆建设规模确定的依据。
档案馆建设规模的确定,世界各地通行的做法是以应保存的馆藏档案数量、档案馆的业务流程以及为公众提供服务等因素来确定建设标准的。考虑到我国国家档案馆是按照行政区划分级设置的情况,档案馆建设规模按行政区划分级,以应保存的馆藏档案数量为基本依据。
当然,辖区人口数量、经济、地理等因素对档案馆建设规模也有重要影响,综合上述因素合理确定档案馆建设规模既确保档案的安全保管,又体现了以人为本的科学发展观。
应保存的馆藏档案数量是指现存档案、资料的数量和今后30年依照《档案法》的规定应进馆的档案、资料的数量之和。随着国家各项建设事业的快速发展,档案数量也较以前迅速增加,机关、团体、企事业单位包括国有企业的应进馆档案数量陡增,先前许多以20年为设计标准的档案馆已不敷使用,很多地区已经或正在考虑扩建或改建。
经过调查研究和广泛征求意见,普遍认为确定30年为设计标准既能满足较长一段时间的需要,又可以避免短时间内再另择用地、重新建设造成的浪费,是比较合理的。
第十条 本条确定了档案馆建设分类标准。
档案馆建设存在的突出问题就是各地经济和社会发展极度不平衡,不同地域之间差距巨大,即使在同一地域,也会因为经济发展水平不同而差距明显。为保证本标准的广泛适用,将省、市、县级国家档案馆各分为三个类次,各类次的数量基本相当。
根据统计资料和调研数据,以类次各占1/3 确定馆藏档案数量分界。
需要说明的是,本条中的馆藏档案数量仅指现存和今后30年应进馆纸质档案、资料的数量之和,不包含其他类型的档案、资料。这一方面是为了便于计算,同时也是为了方便标准的使用。当然,随着进馆电子档案的快速增加,势必会给库房容量提出更高的要求,这需要在实际确定档案馆面积,尤其是确定档案库房时充分考虑。
第十一条 本条确定了档案馆建设项目的三个组成部分。这三者密不可分,缺一不可,在建设中均应列入其中,统筹安排。
房屋建筑,是档案馆接收、收集、整理、保管和提供利用功能得以实现的各类用房的总称。
场地,是在满足档案馆工作人员日常工作需要,以及照顾利用者实际需求的基础上提出的。
档案馆专用设施,是档案馆实现各项职能而必须具备的各种装备和设施。
第十二条 本条阐明了档案馆房屋建筑由档案库房、对外服务用房、档案业务和技术用房、办公室用房等主要功能用房和附属用房及建筑设备五部分组成。
这是根据《档案馆建筑设计规范》(JGJ 25—2000)4.1.1 条以及《党政机关办公用房建设标准》(计投资[1999]2250 号),结合档案工作的实际需要确定的。
档案库房,是档案馆专门用于保管各种类型档案的用房。
对外服务用房,是档案馆用于利用阅览、展览等提供利用档案的用房。
档案业务和技术用房,是档案馆用于接收、收集、整理、保护、数字化加工等档案基础业务、技术的用房。
办公室用房,是按照党政机关办公用房标准规定所配备的档案馆工作人员的办公室用房。
附属用房及建筑设备,是实现档案馆各项职能必须具备的配套用房以及相应的建筑设备。
第十三条 根据现有档案馆建筑设计实践,结合档案工作的实际需要,本条明确档案库房的组成。
为保护重要档案的安全,要求省级档案馆设置异地备份库。实际上,现有大多数省级档案馆存在后库等形式的异地备份库,实践证明,这种传统做法是适应新形势下对重要档案安全保管要求的。异地备份库的建筑面积未计人本标准。
第十四条 根据档案工作的实际需要,参照《档案馆建筑设计规范》(JGJ 25—2000)4.3 规定,本条明确对外服务用房的组成。
第十五条 根据档案工作的实际需要,参照《档案馆建筑设计规范》(JGJ 25—2000)4.4 规定,本条明确档案业务和技术用房的组成。
第十六条 本条要求档案馆办公室用房组成参照《党政机关办公用房建设标准》(计投资[1999]2250 号)执行。
与档案馆并建的档案行政管理部门办公室用房的组成同样应参照《党政机关办公用房建设标准》(计投资[1999]2250 号)执行。
第十七条 本条明确附属用房及建筑设备的组成。
第十八条 本条明确档案馆场地的组成。
档案馆建设应按当地的规定,根据项目的建设规模,增加人员集散场地、道路、停车场的建设用地,以满足利用者以及工作人员的需要。
档案馆应根据国家有关规定保证足够的绿化用地,为利用者和工作人员创造良好的环境。同时,绿地对档案馆的功能分隔、空气净化、减少污染和改善用地周围的小气候,都具有十分重要的作用。
第十九条 本条明确了档案馆专用设施所包含的主要内容。
这里所列的是档案馆开展业务工作中应当配备的装备,目前在很多档案馆中已经配备,有些地区由于受经济条件限制没有配备其中的一些设备,影响了工作的开展。
第三章 房屋建筑面积指标
第二十条 本条规定了档案馆房屋建筑及用地面积的总体确定标准,即按照不同级别、不同类型予以确定。
第二十一条 本条规定了省级三类档案馆应遵循的面积指标。
1.根据本条文说明第十条确定的划分办法,三类档案馆以20万卷为间隔,确定计算值为:
| 一类 |
90~110万卷 |
| 二类 |
70~90万卷 |
| 三类 |
50~70万卷
|
本标准将省级档案馆一类最高计算值确定为110万卷,是由省级档案馆本身的特点决定的。
省级档案馆之间馆藏档案数量也存在严重的不均衡的现象,一些省级档案的馆藏量已经超过或在未来30年内必然超过110万卷,这些档案馆独有的历史背景或现实背景使之与其他一般的省级档案馆无论在馆藏量上还是在馆藏结构上都不能相提并论,要在一个范围内予以规定十分困难。故本条特别设立一款,要求这些馆藏档案数量超过110万卷以上的省级档案馆,可以在省级一类档案馆面积指标的基础上,按照本标准的计算方法相应增加库房面积。
寒冷和严寒地区的建筑由于在墙体厚度等方面有着更高的要求,总面积指标可以在原来基础上增加4﹪~6﹪。
关于使用系数,本标准以现存档案馆两种最为常见的建筑模型进行推算,分别计算出的使用系数分别为70﹪和65﹪,结合调研结果以及反馈的意见,本标准将使用系数确定为70﹪,即0.7。
2.各类用房的计算方法
(1)库房面积计算方法
根据《档案馆建筑设计规范》(JGJ 25—2000)第4.2.13条的规定,各类装具的档案存储定额的计算指标,应符合五节档案架每平方米(使用面积)不得小于2.70m(排架长度)或180卷;密集架每平方米(使用面积)不得小于7.20m(排架长度)或480卷的规定。
由此可以推算,密集架库房使用面积指标为20.83㎡/万卷;五节档案架库房使用面积指标为55.56㎡/万卷。
由于在省、市、县各级档案馆中,不但存在纸质档案,还存在大量的音像、光盘、缩微拷贝片、母片、实物等档案类型,上文所推算的密集架库房和五节档案架库房面积公式都是以纸质档案为前提测定的,因此只能作为实际工作的一个参考指标。
实际上,经过多年来的实践以及近年来大量的档案馆的改、扩建工程经验的总结,加之针对本标准进行的调研,一般认为省级档案库的面积以密集架、五节档案架各占50﹪推算的指标是比较贴近实际的,即:使用面积40㎡/万卷;市级档案库的面积以密集架、五节档案架各占20﹪、80﹪推算的指标是比较贴近实际的,即:使用面积 50㎡/万卷;由于县级财政一般无法承担县级档案馆建设密集架库房所带来的高额成本,以及购买密集架的成本,主要以五节档案架为标准设定相应指标,即:使用面积60㎡/万卷。
(2)对外服务用房和档案业务和技术用房面积计算方法两类用房存在设备的,根据设备占地面积推算,不存在设备的,依据调研数据给出相应指标。
(3)办公室用房面积计算方法
办公室用房中面积指标按每人平均使用面积6平方米计算。
关于办公室用房中人数的确定,依据《劳动人事部、国家档案局关于颁布(地方各级档案馆人员编制标准)(试行)的通知》执行。根据上述通知的规定,参照本条确定的档案馆的计算值,可以测算省级三类档案馆案卷数与编制人数对应关系为:
馆藏量(万卷)
|
50 |
70 |
90 |
110 |
| 人数(人) |
98 |
128 |
158 |
188 |
(4)附属用房面积计算方法
按照档案库房、对外服务用房、档案业务和技术用房、办公室用房四类用房总面积10﹪计算。
同省级档案馆建设现状相比,同时充分考虑省级档案馆未来的发展,本条确定的面积指标基本是中等适度的。
第二十二条 本条规定了市级三类档案馆应遵循的面积指标。
根据本条文说明第十条确定的划分办法,三类档案馆以10万卷为间隔,确定计算值为:
| 一类 |
40~50万卷 |
| 二类 |
30~40万卷 |
| 三类 |
20~30万卷
|
本条中确定市级档案馆馆藏档案数量最多为50万卷也是计算需要,实际上,一些市级档案馆完全可能在30年后突破此最高值,因此,在这种情况下,规定可以在市级一类档案馆面积指标的基础上相应增加库房面积是符合实际的。
由此,市级三类档案馆案卷数与编制人数对应关系为:
| 馆藏量(万卷) |
20 |
30 |
40 |
50 |
| 人数(人) |
45 |
65 |
80 |
95 |
各类用房的计算方法同本条文说明第二十一条。
同市级档案馆建设现状相比,同时充分考虑市级档案馆未来的发展,本条确定的面积指标基本是中等适度的。
第二十三条 本条规定了县级三类档案馆应遵循的面积指标。
根据本条文说明第十条确定的划分办法,三类档案馆确定计算值为:
| 一类 |
20~30万卷 |
| 二类 |
10~20万卷 |
| 三类 |
5~10万卷
|
本标准将县级档案馆三类最低计算值确定为5万卷,一方面是将建国以来依法应接受进馆的但至今仍散存在立档单位的档案数量计算在内,另一方面也是参考县级档案馆30年后预计馆藏量确定的。
同市级档案馆一样,县级档案馆确定馆藏档案数量最多为20万卷,也是计算需要。因此,在这种情况下,规定可以在县级一类档案馆面积指标的基础上相应增加库房面积是符合实际的。
由此,县级三类档案馆案卷数与编制人数对应关系为:
馆藏量(万卷)
|
5 |
10 |
20 |
30 |
| 人数(人) |
13 |
23 |
43 |
63 |
各类用房的计算方法同本条文说明第二十一条。
同县级档案馆建设现状相比,同时充分考虑县级档案馆未来的发展,本条确定的面积指标基本是中等适度的。
第二十四条 本条规定档案馆办公室用房的计算方法。
档案馆办公室用房面积应按照《党政机关办公用房建设标准》执行。
第二十五条 本条规定附属用房面积指标的计算方法。
根据调研结果,结合档案馆建设的实际情况,本标准确定附属用房按照档案库房、对外服务用房、档案业务和技术用房、办公室用房四类用房总面积10﹪计算。
第四章 选址与规划布局
第二十六条 本条规定档案馆的选址要求。
第二十七条 本条规定档案馆建设用地确定用地面积应遵循的原则以及建筑用地覆盖率、容积率、绿地率的要求。
1993年11月国家建设部根据《城市绿化条例》第九条授权制定的《城市绿化规划建设指标的规定》(建城[1993]784 号)明确了公共文化设施的绿地率不低于35﹪。根据这一规定并结合全国各地档案馆的现状调查结果,在广泛征求了有关方面专家和实际工作者的意见以后,本建设标准规定,在扩建预留地未计算在内的情况下,绿地率宜为30﹪或遵照当地规划部门的规定执行。
档案馆停车场面积应根据工作人员与日均档案利用者数量之和每100人20个停车位测算并符合当地规划部门的规定。小型汽车和自行车用地指标按小型汽车用地25㎡/辆,自行车用地 1.2㎡/辆计算。
第二十八条 本条规定了档案馆总平面规划应满足的规划要求。
1.本款规定了档案馆建筑宜独立建筑。以往的档案馆由于受客观条件限制,大多不是独立建筑,甚至本身就是政府建筑的一部分,这种建筑模式一方面给利用者利用档案带来极大不便,另一方面由于建筑不能充分满足档案保管的特殊需求,给档案的安全保管带来巨大的隐患。档案馆独立建筑可以有效解决以上问题。
对县级档案馆来说,如果在规划中需要与博物馆、图书馆、文化馆等功能相近的文化项目联合建设,应当有独立的管理区域,以保证档案安全并便于管理。
2.本款规定了档案馆建筑布局要求。鉴于档案馆建筑的特殊性,档案馆建筑应根据功能要求和工作流程进行合理规划,做到既能满足功能分区,又便于前后工作衔接。
3.本款规定了档案馆建筑用地要求。城市建筑用地逐渐成为一种稀缺资源,在这种情况下,档案馆建筑应节约使用土地,合理确定各项经济技术指标。为了建筑的经济有效,适当留有发展的余地和优先利用用地范围之外的社会公共资源也是必须重视的。
4.本款规定了档案馆建筑功能分区划分及具体要求。档案馆建筑功能分区是由档案工作自身的特点决定的。为保障档案的安全并便于管理,库房区应相对独立于其他功能区,有条件的地区可以独立建设。对外服务用房单独设立出入口,办公区设于主出人口,可以方便利用者利用档案,保障档案安全,维护档案馆工作人员的正常工作环境。以往的档案馆出于安全和保密等考虑,大多数建在政府大院内或由武警执勤,给利用者利用档案带来极大不便,同时利用者也可能无意中通过共用入口进入到档案保管区或工作区,给档案的保管以及档案馆工作人员的正常工作带来影响,而且,作为公众的活动场所,设立单独入口也便于采取安检等措施,确保利用者和档案的安全。
5.本款规定了档案馆建筑采光和通风要求。对外服务区、业务技术区、办公区是档案馆人员活动的集中地,应具有良好的自然采光和通风条件,这既有利于人员身体健康,又有利于节约能源,减少浪费。
6.本款规定了厨房、锅炉房、变配电室等火灾易发生区设置要求。厨房、锅炉房、变配电室等是火灾易发生区,应当与库房区保持安全距离,保障档案安全。在实践中,有的档案馆将车库或餐厅建在地下或档案库房下面,一旦发生火灾,不但危及到整个档案馆的安全,也直接危及到档案的安全,是十分危险的。
7.本款规定了室外用地应统筹安排。
8.本款规定了档案馆区内的道路要求。
9.本款规定了档案馆区内道路、停车设施及建筑物应符合无障碍设计要求,充分考虑到残疾人及行动不便者等特殊人群的特殊要求,体现人文关怀。为更好地为利用者服务,本款同时要求标识指示系统清晰明确。
10.本款规定了档案馆对外服务的车库(场)设置要求,明确了标准未包括这部分用房的构成、建筑面积指标。
11.本款明确了标准未包括人防设施的项目构成、建筑面积。
第五章 建筑设计
第二十九条 本条规定了档案馆用房分隔、档案传送通道的设置要求。
为保障档案的安全,档案库房与其他各类用房之间应有分隔,各部门之间的档案传送线路应安全顺畅,内外联系应避免交叉。
第三十条 本条规定了档案馆电梯、档案垂直运输系统设置要求。
档案垂直运输设备比普通电梯在载重量上要求更高,普通电梯不能完全满足档案垂直运输的需要,而且人档混载不但不利于档案的安全与保密,也会影响正常的工作秩序,单独设置档案垂直运输系统是十分必要的。
第三十一条 本条规定档案馆应具备围护结构的要求。
第三十二条 本条规定了档案库房设计原则。
1.本款规定了档案库房应根据不同载体和不同的保管要求分设,并根据不同要求确定柱网、层高与载荷。
一般来说,不同载体的档案对保管的要求不尽相同,同时库房的大小也要根据保管要求进行设置,一些载体保管的苛刻要求在大库房中实现比较难,如纸质档案与音像档案、照片档案的保管要求就有很大不同。因此,各种因素要综合考虑,不能一刀切。
以往的档案库房,受各种因素限制,很多没有充分考虑层高的要求,一些库房的吊顶紧贴档案装具,档案安全保管存在很大隐患,管道安装维修也造成很大的困扰,应尽量避免。
2.本款规定了库区内应设工作人员更衣室,其余附属用房不应设在库区内。
档案库温度较低,与室温差距较大,设立更衣室可以让工作人员更换或暂时存放衣物,不但有利于工作人员的身体健康,也可以避免将外部灰尘等带入库房,影响档案安全保管。
库房的空气中灰尘含量较高,尤其在北方,即使经常通风、除尘打扫也不能避免,因此工作人员在出入档案库时进行盥洗也是十分必要的。
3.本款规定了库区或库房人口处应设过渡问。这一款充分考虑了档案的安全保管和节能的需要。
4.本款规定了档案库设于地下时,必须采取防潮、防水措施。这是档案保管的基本要求。
第三十三条 本条规定档案馆重要电子档案保管和利用场所应满足安全屏蔽要求,保障重要电子档案保密安全。
第三十四条 本条规定档案馆建筑防火要求。
第三十五条 本条规定各级档案馆要适应档案信息化建设的要求,根据办公自动化及安全、保密、美观、整洁等要求综合布线、预留接口,通讯与计算机网络设施应能满足办公需要。新建档案馆尤其应注意这个问题。
第三十六条 本条规定档案馆建筑应符合国家公共建筑节能设计标准,并充分利用各种节能设备。
第三十七条 本条规定档案馆建筑应满足安装门禁、报警、监视监控等安防系统的要求,以确保档案的安全。
第三十八条 本条规定档案馆供电应满足设备和照明的需要,省级和市级档案馆应实行双路供电,可自备发电机组。这是由档案保管的特殊性决定的。
第三十九条 本条规定档案馆建筑外观设计和室内装修设计应满足的要求。
建标 103—2008 档案馆建设标准